 |
Schematics
6080/6AS7G 파라싱글 파워앰프
|
|
제가 이번에 만든것입니다. 원회로도는 누구의 설계인지는 알수없습니다, 김계중님의 수정으로 파라싱글로 재탄생한것입니다. 그리고 제가 일부 수정중에 있습니다, 수정이 다되면 상세한 회로를 올려 보도록 하겠습니다.
|
 |
Schematics
6V6 - 12AX7SRPP Single From Japan
|
|
6V6 - 12AX7SRPP Single
|
 |
Schematics
6V6 -6CG7 RCA Console amp
|
|
Modified By Richard Murdey
|
 |
Schematics
12AX7 - EL34 싱글파워
|
|
괜찮아 보입니다.
|
 |
Schematics
6DJ8 하나로 구성된 18dB/oct XoverNetwork(채널디바이더)
|
|
Note that all schematics on these pages are (c) Copyright, 1996-1998, Steve Bench. All rights reserved. You may use or build these FOR YOUR OWN use freely. You may NOT build and/or sell for commercial profit, any of these without a royalty agreement in place with the author. You may place these schematics on your web page if you credit the author. Note that high voltages are present in these circu...
|
 |
Schematics
6sh7-6as7g Para-single
|
|
원회로는 일본의 MJ저널에서 따욌습니다만 출력단과 시정수 일부와 전원부를 재설계하였습니다. 검증된바로는 출력트랜스의 일차 측 임피던스를 1.25k 로 사용하는것이 고음확보와 저음을 손실하지 않는 방법이라고합니다.. 음질은 300B 빰친답니다. 저가로 3극관소리들을래면 이것도 시도해 볼만합니다. 하지만 그래도 한계점은 있겟죠
|
 |
Schematics
2A3 싱글
|
|
프랑스사람이 설계한것이랍니다. 작자는 모르겠고 프랑스쪽 동호인중 어느누군가가...
|
 |
Schematics
6V6 - 6J7 Single
|
|
6V6 - 6J7 Single
|
 |
Schematics
6L6 pp 오리지날 Heathkit-a9
|
|
조근 복잡한듯합니다. 순결(?)하신분들에겐 무리가 뒤따르겠습니다.
|
 |
Schematics
6080 싱글회로도
|
|
6080 실글회로도
|
 |
Schematics
6V6 - 6SL7GT Single
|
|
6V6 - 6SL7GT Single
|
 |
Schematics
6J5-6AH4-300B - 300B 전원
|
|
굉장히 돈많이 들어가는 회로입니다. 초단 드리이브단 모두 3극관이여서 음색이 고울것같은데... 전원부를 수정하여 고려해보려고는 하는데... 돈이 뭔지.. 진공관을 지금 만들면 안되나..
|
 |
Schematics
C3M-300B - Fabrizio cappelleti
|
|
유명한 회로입니다. 그런데 거의 대부분 스캐닝 상태가 않좋아 알아보기가 쉽지 않았는데 깨끗한걸 새로 구하였습니다. Glass Audio 98년 1월호에 게제되었던것이죠
|
 |
Schematics
6U8 - 300B 반도체 파워
|
|
현재 검토 중인 회로입니다. 일본에서 흘러 나온듯하며 원전은 모르겠습니다. 6U8 에따라서 질이 좌우 될것같습니다...
|
 |
Schematics
RCA 6V6 파워
|
|
RCA 6V6 파워
|
 |
Schematics
EL34 싱글 고정 바이어스
|
|
국외의 모사이트 에서 키트로 나오는 제품중 하나입니다.
|
 |
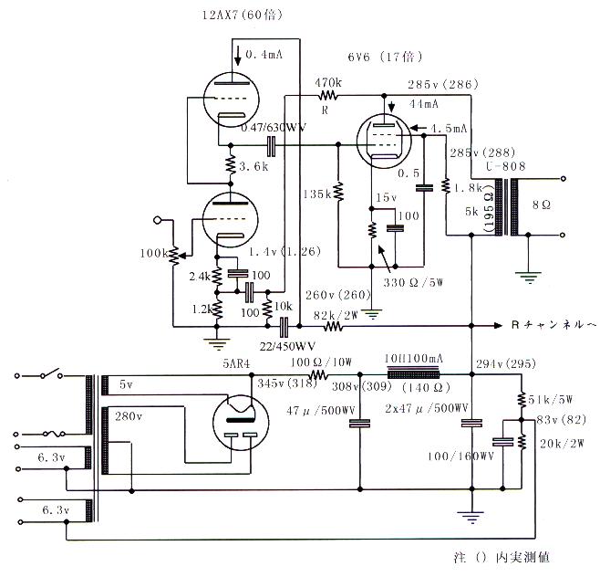
Schematics
6V6 - 12AX7 Single form Japan
|
|
6V6 - 12AX7 Single form Japan
|
 |
Schematics
6BM8 싱글 - 일본
|
|
6BM8 싱글 - 일본
|
 |
Schematics
EF86-EL34 싱글파워
|
|
출력이 약 5~8W 정도 입니다.
|
 |
Schematics
FENDER "PRINCETON" 앰프
|
|
간단하여 만들기가 쉽습니다. 12AX7 초단 , 드라이브, 6v6 출력 5Y3 정류 첨부 1. 은 회로도 첨부 2. 는 실체 배선도
|